Kako produžiti vijek akumulatora i pravilno klemanje automobila
Pravilno klemanje automobila i kako produžiti vijek akumulatora
U zimskom periodu čak do 80% vozača nije u mogućnosti pokrenuti motor svojih automobila zbog lošeg akumulatora. Bez dovoljno struje, moderna vozila jednostavno ne mogu funkcionirati. Samo jak i ispravan akumulator garant je za sigurno startanje motora na niskim temperaturama koji su dio naše zimske svakodnevnice. Ako u jesenjim mjesecima osjetite da Vaš akumulator nema više onu snagu koju je imao, onda je vrlo moguće da sa dolaskom većeg minusa nećete moći startati motor.
Moderni automobili imaju jako mnogo potrošača, kao npr. klima uređaj, grijači stakala, grijači sjedišta, audio i navigacioni uređaji, xenon svjetla i slično, tako da je akumulator i tokom vožnje jako uposlen. Akumulatori automobila koji se voze na kratkim relacijama tokom zimskog perioda često oslabe jer vrijeme punjenja je kratko. Ukoliko vlastita temperatura akumulatora spadne ispod nula stepeni, on nije u stanju da se puni, tako da kratke vožnje pri velikim minusima neće pomoći da se akumulator oporavi i djelimično napuni. Što je minus veći, to i vožnja mora biti duža da bi došlo do ponovnog punjenja akumulatora. Treba znati da je prosječan vijek tradicionalnog olovnog akumulatora 4, maksimalno 5 godina. Ukoliko je akumulator prestar, onda mu više neće pomoći „vožnje punjenja“.
U novije automobile sa start-stop sistemom fabrički se ugrađuju novi Absorbent Glass Mat, tzv. AGM akumulatori. Ovi akumulatori mnogo su dugotrajni od tradicionalnih i mnogo lakše startaju pri niskim temperaturama zahvaljujući ovoj novoj tehnologiji. Ovi akumulatori su i naravno skuplji, ali definitivno su i bolji, te nije preporučljivo “mjenjati” ih sa tehnološki zastarjelim akumulatorima samo zbog pristupačnije cijene.

Kako pravilno startati motor kada je akumulator slab ili prazan?
Anlaser nije jedini dio kojem je potrebana struja za start motora. Kod modernih automobila za start motora potrebno je strujom opskrbiti i ECU (elektronsku kontrolnu jedinicu) motora, te dovod goriva. Za pomoć u takvim situacijama mogu se koristiti kablovi za paljenje, ali i to samo u krajnjoj nuždi. Ovaj postupak jako opterećuje ispravni akumulator donatora, a može da bude i opasan. Kod potpuno prazne baterije, može da se formira eksplozivni plin. Vrlo je bitno pratiti ispravan redoslijed koraka kod ovog postupka.
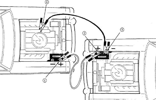
Prvo, treba povezati plus polove oba akumulatora crvenim kablom, s tim da se kliješta kabla prvo prikopčaju na akumulator donatorskog vozila. Drugo, kabl negativnog pola, crne boje, prikopčati na minus pol ispravnog akumulatora. Nakon što je vozač vozila sa neispravnim akumulatorom spreman za paljenje, prikopčati crni kabal na minus (uzemljenje) tačku vozila sa neispravnim akumulatorom. To je svaki mentalni dio automobila na karoseriji ili motoru, osim dijelova koji su izolovani (gumom, plastikom ili bojom) od ostatka automobila.

Nikako nije preporučljivo stavljati crni kabal na minus neispravnog akumulatora. U tom slučaju mogu nastati iskre koje mogu zapaliti eksplozivne plinove koji se formiraju i tako potpuno uništiti akumulator. Najbolja je minusna tačka koja je najudaljenija od neispravnog akumulatora. Kod novijih vozila, takvo mjesto je obilježeno i navedeno u upustvu za upotrebu vozila, tačnije novija vozila imaju predvđena mjesta na kojima se postavljaju kleme kablova za pomoćno startanje motora. Ipak, treba napomenuti da to nije pravilo, jer sva novija vozila nemaju priključke za kleme kablova za pomoćmno startanje.
Nakon priključenja kablova treba odmah pokušati sa startanjem motora. Nakon paljenja motora, sačekati jos desetak sekundi, nakon čega treba upaliti neki od potrošača npr. svijetla ili grijače zadnjeg vjetrobrana kako bi se izbjegao električni udar. Kablove treba ukloniti obrnutim redoslijedom.
Kako produžiti životni vijek akumulatora?
Na životni vijek akumulatora utiče više faktora, a jedan od glavnih faktora je kvalitetno punjenje. Da bi akumulator imao dug vijek, ili bare fabrički predviđeni, potrebno je obezbjediti kvalitetno punjenje. U većini slučaja automobili u gradskim vožnjama voze se na kratkim relacijiama, a tokom zime uključen je veliki broj potrošača: Svjetla, ventilacija, grijači stakala, grijači sjedišta te druga neophodna auto elektronika. Svi navedeni potrošači troše struju, a sam start motora na niskim temperaturama najviše opterećuje akumulator. U slučaju kada je akumulator tako opterećen i bez dovoljnog punjenja, značajno se skraćuje njegov vijek.

U takvim situacijama dobro je akumulator povremeno napuniti posebnim punjačem za akumulator. U tom slučaju punjač će dopuniti akumulator te će mu značajno produžiti životni vijek. Također, dobro je provjeriti stanje alternatora i njegovu snagu punjenja, jer često se desi da alternator ne puni dovoljno pa akumulator brzo strada. Moderni automobili, obično oni iz premijum segmenta, imaju menadžment punjenja akumulatora. On prati snagu i stanje akumulatora te kada je akumulator značajno ispražnjen gasi sve nepotrebne potrošače kako bi se što prije napuno.
Za naknadno punjenje akumulatora, putem posebnih punjača, treba obratiti pažnju na kvalitet samog punjača. Nekvalitetan punjač može napraviti značajnu štetu na elektronici automobila ako ne otkačite klemu sa akumulatora, dok u slučaju korištenja kvalitetnih punjača akumulatora nije potrebno skidati klemu sa akumulatora već se može punjenje vršiti direktno na vozilu. U tom slučaju svi potrošači na automobilu moraju biti isključeni. Punjenje akumulatora preko punjača posebno je preporučljivo kod vozila koja se ne voze često, a u takvoj situaciji idealno bi bilo koristiti “pametne punjače” koji simuliraju cikluse punjenja i pražnjenja akumulatora, tj. oni imaju faze punjenja i pražnjenja akumulatora.



